中文
|
English
首 页
走进东方富达
公司简介
荣誉资质
公司环境
合作单位
产品展厅
限速器
张紧装置
安全制动装置
油压缓冲器
夹绳器
导靴
新闻动态
公司新闻
行业动态
视频新闻
公司招聘
社会招聘
校园招聘
联系我们
联系方式
营销网络
售后服务
产品展厅
限速器
张紧装置
安全制动装置
油压缓冲器
夹绳器
导靴
登录
|
注册账号
张紧装置
首页
>
产品展厅
>
张紧装置
> 内容
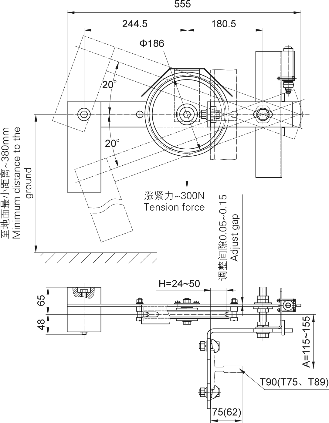
BZJ1D对重摆臂式张紧装置
技术参数
1、绳轮节圆直径:Φ186mm
2、钢丝绳直径:Φ6mm
3、涨紧力:300N
注:用于其它导轨时,订货单中应注明导轨型号和A、H值
详情可致电“
86-316-2018793
”咨询
产品介绍