中文
|
English
首 页
走进东方富达
公司简介
荣誉资质
公司环境
合作单位
产品展厅
限速器
张紧装置
安全制动装置
油压缓冲器
夹绳器
导靴
新闻动态
公司新闻
行业动态
视频新闻
公司招聘
社会招聘
校园招聘
联系我们
联系方式
营销网络
售后服务
产品展厅
限速器
张紧装置
安全制动装置
油压缓冲器
夹绳器
导靴
登录
|
注册账号
安全制动装置
首页
>
产品展厅
>
安全制动装置
> 内容
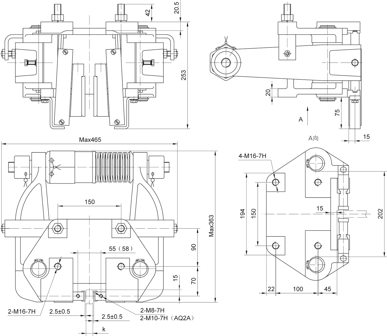
AQ2(AQ2A)安全钳
参数见下表
详情可致电“
86-316-2018793
”咨询
产品介绍